登陆注册
  • ArcGIS Pro 3.6新功能:将密度分析提升到新高度
  • 【CC工具箱】快速面积标注
  • 水土保持生态建设工程2003编规和2024编规对比(四)
  • 500kV 前进输变电工程水土保持监测报告
  • 手把手教你用电脑端Calibre软件管理Calibre-web电子书库
  • 《生产建设项目水土保持设施验收技术规程》解读
  • 首页
  • 审批公示
  • 法律法规
  • 标准规范
  • 规章通知
  • 技术文档
  • 报告模版
  • 行业资料
  • 行业手册
  • 给我投稿
fa-star|fa-star|fa-star|fa-star|fa-star|fa-star|fa-star|fa-star|fa-star|fa-star
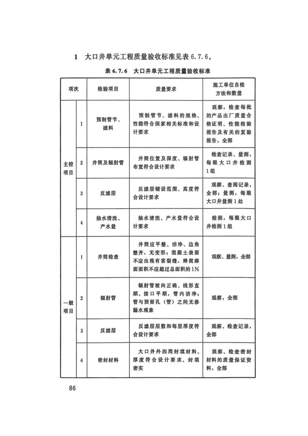
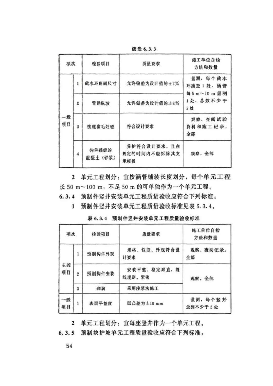
当前位置:水地导航>标准规范>水利行业(SL)>水土保持工程质量验收与评价规范(SL/T 336-2025)

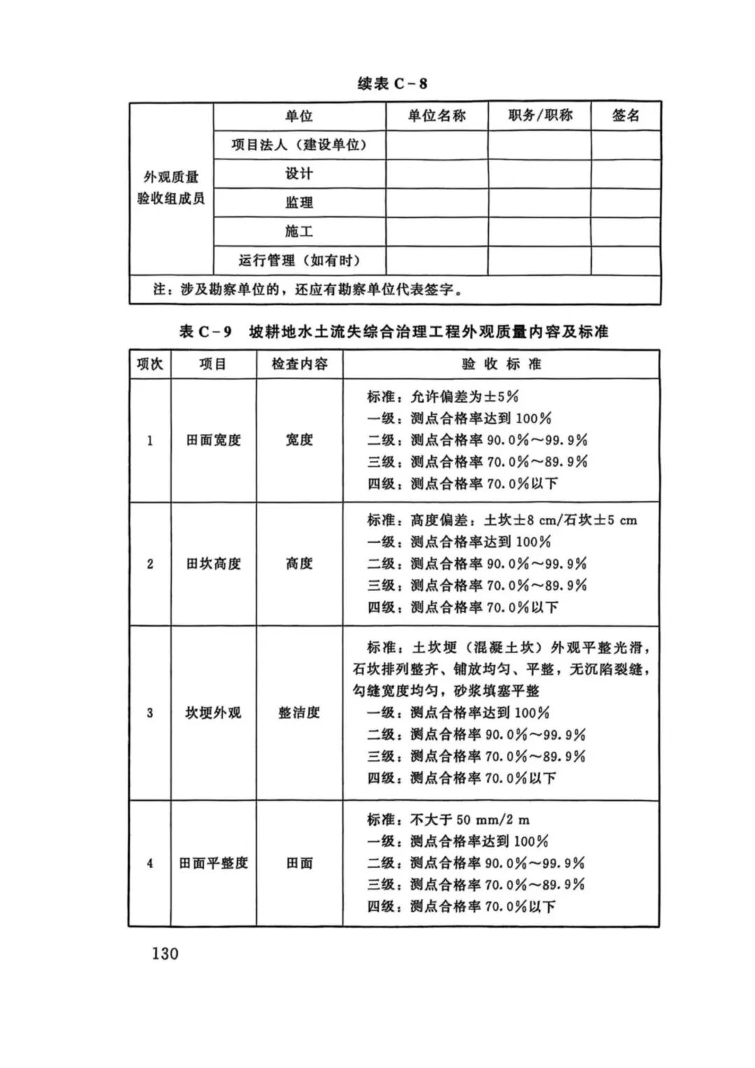
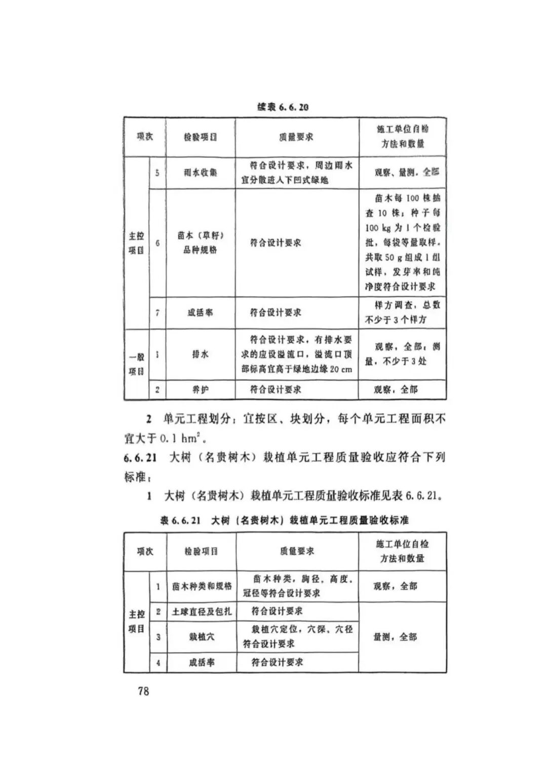
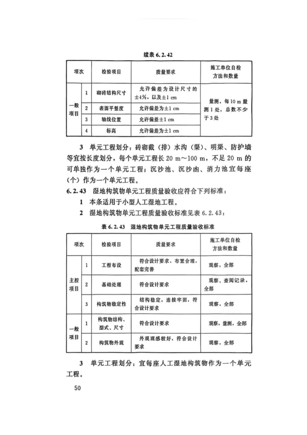
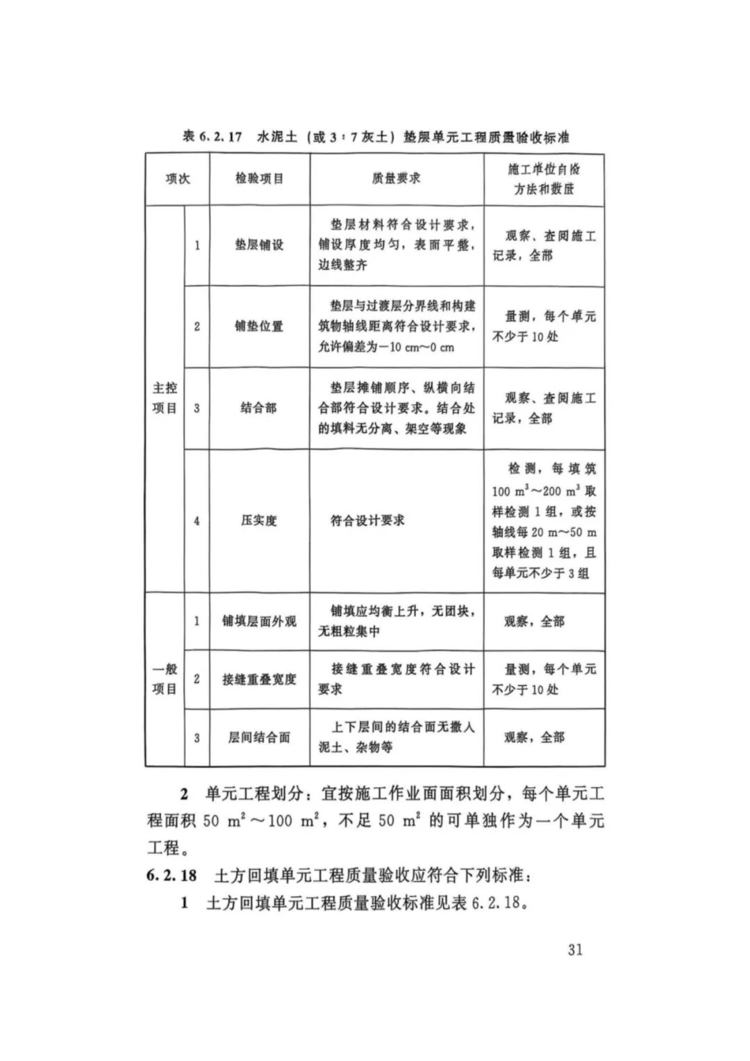
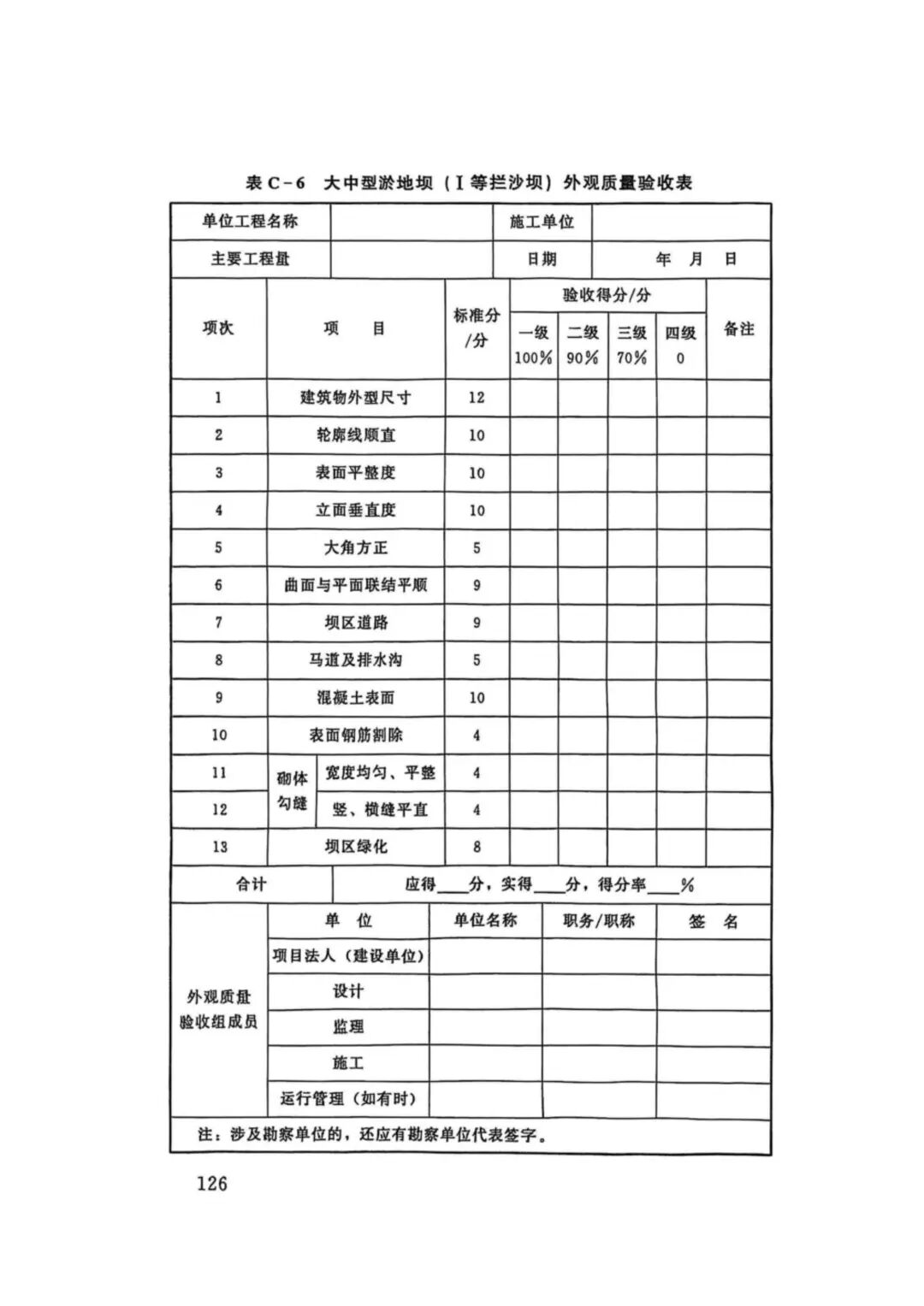
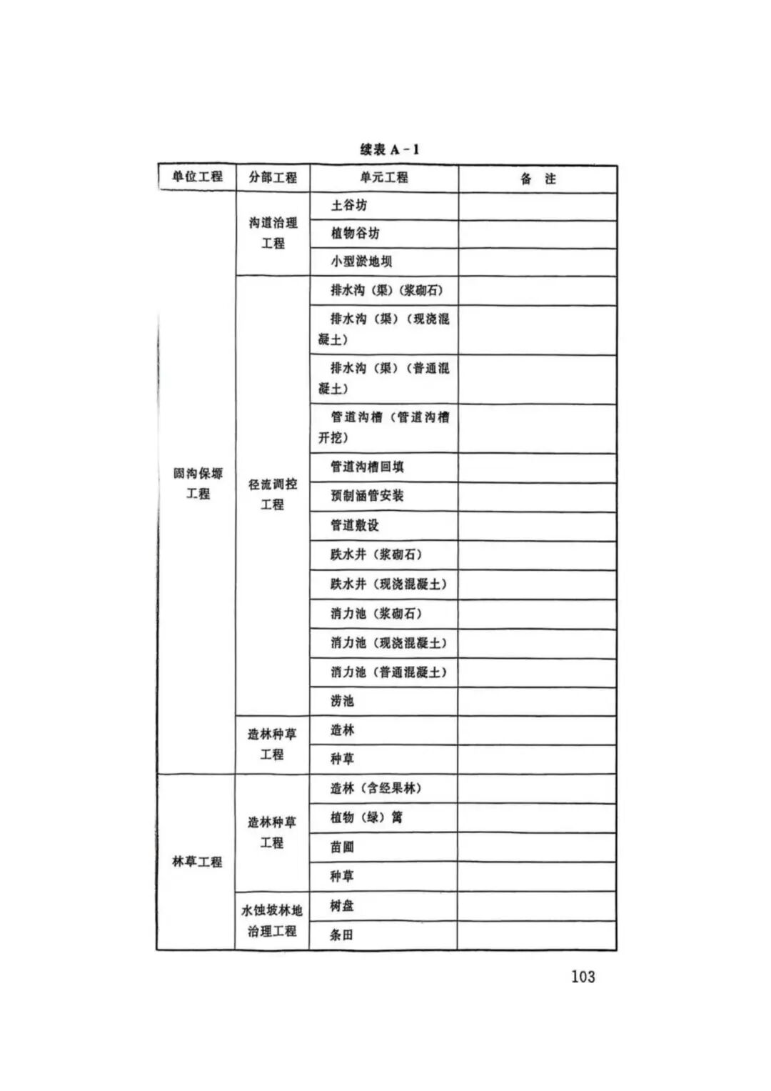
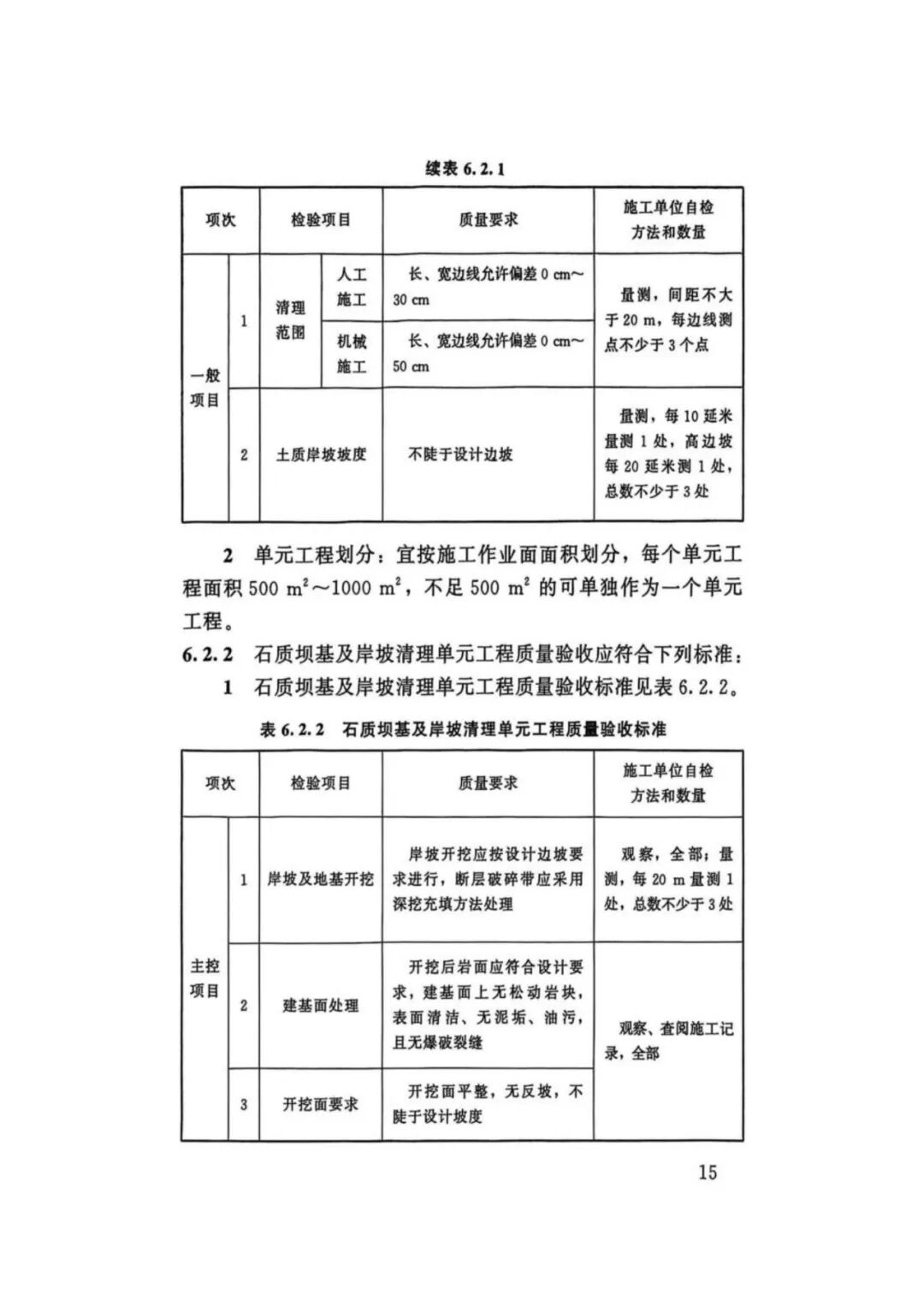
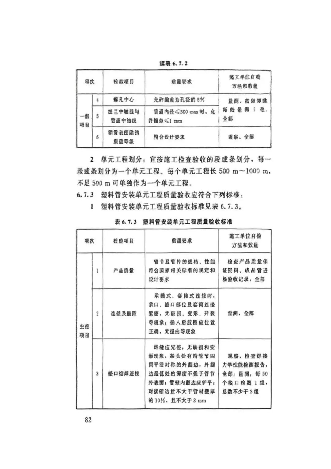
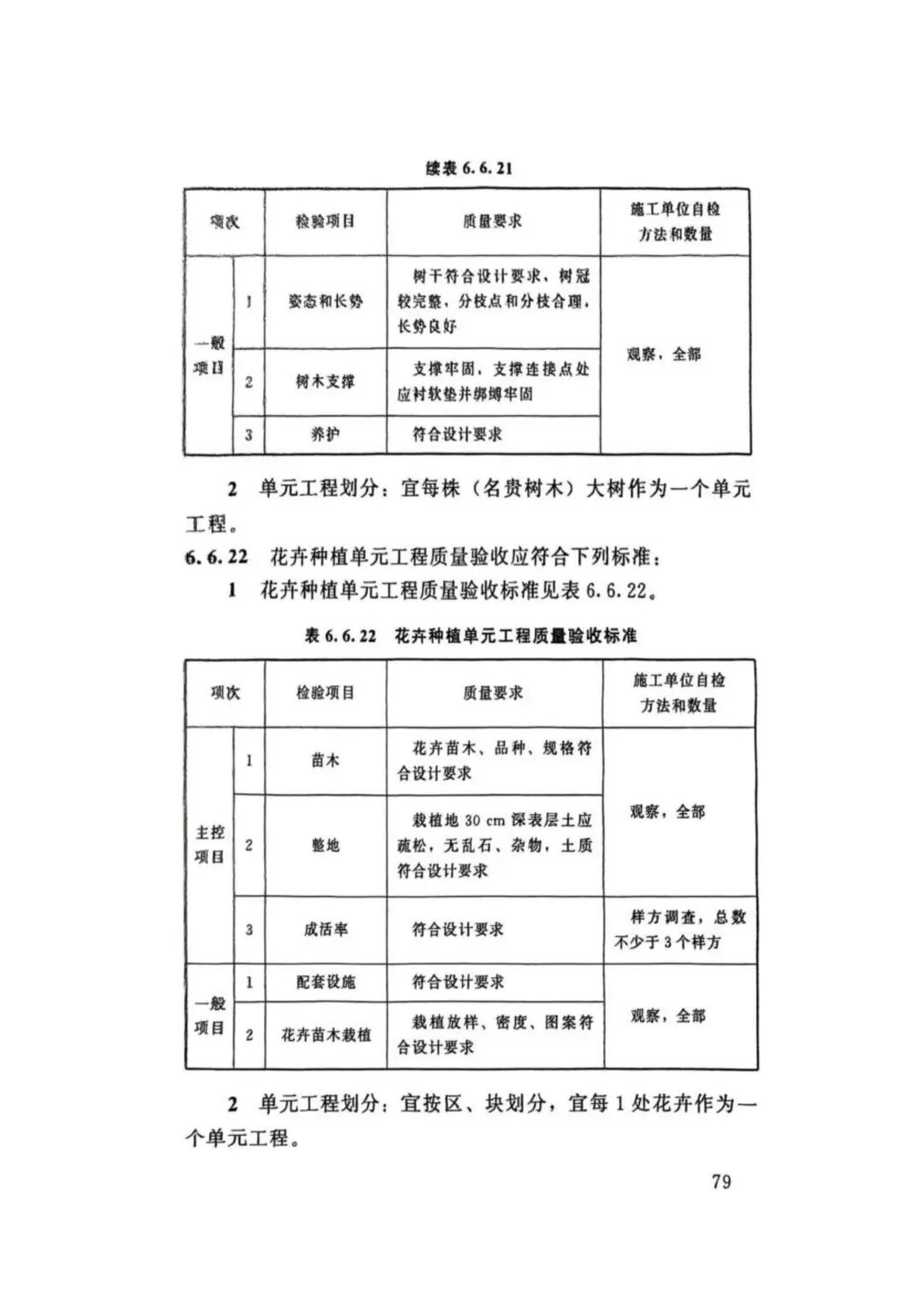
水土保持工程质量验收与评价规范(SL/T 336-2025)

归类:水利行业(SL) 时间:2026-04-02 10:38:35 点击:121次

  • 水土保持监理规范(SL/T523-2024)
  • 水土保持工程质量验收与评价规范(SL/T 336-2025)

CC工具箱2.2.0更新_免费_200 工具

2026年:建设项目土地要素保障政策及报批流程

  • 返回顶部
  • 分类导航
  • 评论留言
  • 分享网页
  • 直达底部
  • 首页
  • 审批公示
  • 法律法规
  • 标准规范
  • 规章通知
  • 技术文档
  • 报告模版
  • 行业资料
  • 行业手册
  • 给我投稿
  • 规章通知
  • 法律法规
  • 视频教程
  • 技术文档
  • arcgis使用技巧
  • 标准规范
  • 国家标准(GB)
  • 地方标准(DB)
  • 土地管理(TD)
  • 地质矿产(DZ)
  • 水利行业(SL)
  • 林业标准(LY)
  • 建设标准
  • 强制标准(JT)
  • 能源行业(NT)
  • 电力行业(DL)
  • 行业资料
  • 地形地貌
  • 地质构造
  • 河流水系
  • 造价年鉴
  • 报告模版
  • 地质灾害
  • 软件工具
  • 职业规划
  • 公务考试
  • 考试培训
  • 职业教育
  • 求职创业
  • 招聘求职
  • 广告联盟
  • 进货渠道
  • 审批公示
  • docker
  • 常用查询
  • 文献搜索
  • 气象信息
  • 行业标准
  • 卫星影像
  • 航线规划
arcgis中国工具在线工具节地评价报告
[复制本页网址]
Date...
«    2026年4月    »
一 二 三 四 五 六 日
12345
6789101112
13141516171819
20212223242526
27282930
*该月历用于查阅最新发布内容

水地导航 © 冀公网安备13070302000173号 | 冀ICP备20015384号-5